Specifikace výrobku

Fréza SK válcová čelní dlouhá, SPEEDCUT 4.0 Ultra Hard Steel 65 HRC, HPC, MAYKESTAG, 879700500100 - 5x13/25/62

dotaz na produkt
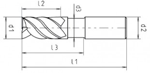
Z4
l162 mm
l213 mm
l325 mm
d15 mm
d26 mm
d34,7 mm
Poznámka
Vysoce výkonná čelní fréza z tvrdokovu zvláště vhodná pro obrábění kalených a vysokopevnostních ocelí.
Vysoká stabilita a různá dělení dělají na obrobku velmi dobrou kvalitu povrchu i při vysokých hodnotách přísuvu.
Extrémně dlouhá životnost nástroje. Fréza se používá pro hrubování, hrubování a dokončování stejným nástrojem.
Generace 4.0 stanoví nové standardy řezného výkonu.

Přílohy:

8797 - Katalog

Odkazy: