Product specification

FrSolid end mill long SPEEDCUT 4.0 Ultra Hard Steel 65 HRC, HPC, MAYKESTAG, 879701200100 - 12x26/48x95

more info
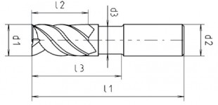
Z4
l195 mm
l226 mm
l348 mm
d112 mm
d212 mm
d311,5 mm
Note
High performance carbide end mill especially suitable for machining hardened and high tensile steels.
The high level of stiffness and different partition effect a very good surface quality on the workpiece even at high infeed values.
Extremely long tool life. The milling cutter is used for roughing, rough finishing and finishing with the same tool.
The Generation 4.0 sets new standards in cutting performance.

Attachment:

8797 - Katalog

Links: